Driver de Encendido Automotriz HD151007FP 30V 100mA
$ 35.000,0 +IVA
El Driver de Encendido Automotriz HD151007FP ofrece salidas de drenaje abierto, bajo consumo y 30V de salida, ideal para control de encendido y gestión de señales automotrices.
Sin existencias
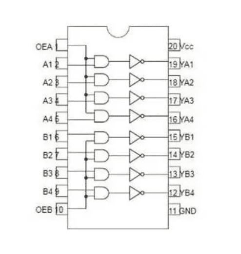
El Driver de Encendido Automotriz HD151007FP es un controlador de señal de alta fiabilidad diseñado para circuitos de encendido y control electrónico en sistemas automotrices. Este dispositivo permite una conexión directa mediante salidas de drenaje abierto, facilitando la interfaz con diferentes tipos de cargas y controladores lógicos.
Con un voltaje de salida máximo de 30V y una corriente de salida de hasta 100mA, el HD151007FP garantiza un funcionamiento estable y seguro en sistemas de control de encendido, inyección o monitoreo de sensores. Su capacidad para mantener un nivel lógico bajo (VOL = 0.4V) incluso a 48mA de corriente de salida asegura una respuesta rápida y confiable en aplicaciones que requieren control preciso de señal.
El dispositivo presenta una baja disipación de energía de solo 10µA, lo que contribuye a una mayor eficiencia energética y menor generación de calor, una característica esencial en módulos de control automotriz de bajo consumo.
El encapsulado HD151007FP ofrece un diseño compacto, confiable y fácil de integrar en sistemas electrónicos automotrices o industriales, manteniendo una excelente compatibilidad con interfaces digitales. Su construcción garantiza un rendimiento estable ante variaciones térmicas y eléctricas, características críticas para entornos de operación exigentes.
Por su estabilidad, bajo consumo y robustez eléctrica, el Driver de Encendido Automotriz HD151007FP es ideal para proyectos de electrónica automotriz, módulos ECU, sistemas de control de motor y aplicaciones industriales con control de señal de potencia moderada.
Funciones destacadas del Driver de Encendido Automotriz HD151007FP:
- Salidas de drenaje abierto para conexión directa y flexible.
- Voltaje de salida máximo de 30V.
- Corriente de salida de hasta 100mA.
- Nivel de salida baja (VOL) garantizado en 0.4V a 48mA.
- Consumo ultra bajo de energía (10µA).
- Alta fiabilidad en condiciones de temperatura y vibración.
- Diseño compacto en encapsulado HD151007FP.
Aplicaciones comunes:
- Sistemas de encendido automotriz.
- Módulos ECU y control de motor.
- Controladores de sensores automotrices.
- Sistemas de diagnóstico y monitoreo.
- Electrónica industrial con control de salida por drenaje abierto.
Características técnicas:
- Referencia: HD151007FP
- Tipo: Driver de encendido automotriz
- Conexión: salidas de drenaje abierto
- Voltaje de salida: 30V máx.
- Corriente de salida: 100mA máx.
- Nivel VOL: 0.4V @ 48mA
- Disipación de energía: 10µA
- Encapsulado: HD151007FP
- Fabricación: estándar automotriz de alta fiabilidad
Hoja de datos: Hoja de datos
Para más Drivers Automotrices y Controladores de Encendido, consulte la sección Drivers
Debes acceder para publicar una valoración.










Valoraciones
No hay valoraciones aún.